When the switch is closed one input of the NAND gate is LOW. When the LDR is in the light the other input is LOW. This means that if either of these things happen, i.e. the switch is closed or the light is on one of the inputs is LOW, the output is HIGH and the buzzer sounds.
When the thermistor is COLD its
resistance is LARGE and the input to the NAND gate is high.
Since the NAND gate is
connected as an INVERTER the output is LOW.
As the thermistor warms up its resistance
decreases, the voltage across it falls and the input to the NAND gate falls.
When it becomes
low enough the output becomes HIGH and the buzzer sounds.
How would you adjust
the temperature at which the buzzer came on?
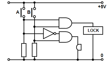
To open the lock the solenoid must be activated and this can be done by pressing both switches A and B. If B is pressed before A, however, the buzzer will sound.

When the switch is in position A the buzzer stays off whatever the illumination of the light-dependent resistor. If the switch is closed in position B the buzzer will come on, however, and stay on when a brief flash of light (perhaps from the torch of a burglar) falls on the light- dependent resistor. The buzzer may only be turned off by returning the switch to position A.
The two contacts X and Y are near the top of the hot water tank and are normally covered with water so that there is a contact between them. The thermistor is also in the water. If the water is too cold and if the contacts are also covered the heater comes on. The temperature at which this occurs may be set by the variable resistor R.
This is designed to water plants only if the contacts, which may be buried in the soil, are too dry and it is night-time. The relay closes and starts the pump only if both these conditions are fulfilled. (Presumably somebody waters the plants in the daytime because if the switch is pressed the water pump works regard less.)